お問い合わせTEL.0241-23-1925
〒966-0902 福島県喜多方市松山町村松字上原2483-5

メタルドームは、ステンレスの皿バネでφ数や荷重、クリック率の違いで何種類かあり、内蔵することで心地よくカチッカチッとした感触でON/OFFが可能になります。好みや感覚の違いなのでしょうが、海外のメタルドームは、材料が厚いため硬くクリック感も悪く感じられます。


片面粘着材にφ5ドームを貼り付けたシートで、直接プリント基板やFPC基板に貼り付け、稼動接点として使用することが可能です。弊社のφ5ドームの裏面は銀メッキされいます。

ドーム搭載ビデオ説明
搭載機は、フープ状になったドームを切り落とし吸着し、テーブルに押し付けます。
テーブルには、ドーム押さえシート(片面粘着材)の糊面が上に来るように置いてあるので、ドームが裏返しになって貼り付きます。
| 仕様 (一例) | |
|---|---|
| 外径: | φ5 ±0.05 |
| 高さ: | 0.25±0.05 |
| 荷重(P1): | 180±30g |
| クリック率: | 50±15% |
| ストローク: | 0.2±0.03 |
| 耐久性: | 50万以上 |
| 板厚: | 0.06±0.005 |
| 荷重測定法: | 歪み取り φ1.5丸先ピン 金属平面上 |




弊社φ5ドームの裏面は、銀メッキですので、そのまま接点として使用できます。
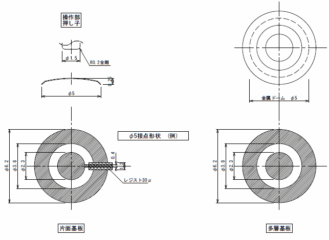
φ5ドームは、小さく高さもないため直接指先で押下しにくいため、押し子(凸)を用いてドームのセンター部を押しています。直接爪などで押されず間接的に押されるため、ドームが変形してしまうことはめったにありません。
押し子:表面シートやキーの裏側に樹脂成型された突起で金属ドームを押し込むためのもの。
銀印刷でシールド |
アルペットでシールド |
表面シート |
メタルドーム |
PETドーム |
タボ(ヘソ)付き メタルドーム |
クリンチャーコネクタ |
2本のテールを1本に 貼り合わせる |
異方性導電による テールの延長接続 ※ |
ジャンパー重ね印刷、マトリックスも自在 |
エンボス金型 |
|
〒966-0902
福島県喜多方市松山町村松字上原2483-5
TEL.0241-23-1925
FAX.0241-24-2419
ご不明点はお問合せください。